----------------------------------------------------------------------
【Cautions for using electrical products】
When using electrical appliances, please note that the voltage is different from that of Japan, which may cause malfunctions.
Since the plug type is Japan type(A or B type), please check the voltage and use a transformer.
Please note that a transformer is different from a conversion adapter.
We are not responsible for malfunctions caused by use without a transformer.
【Voltage Compatibility】
When using electrical appliances, please note that they are designed for Japanese voltage specifications (90-110V), so if you use them with a different voltage, it may cause a malfunction.
【Plug Type】
Our products use Japanese plug types (A or B type).
Please use a conversion adapter if necessary.
【Important Note on Transformers and Adapters】
A transformer adjusts voltage to match your device’s requirements.
A conversion adapter only changes the plug shape and does not adjust voltage.
Using only a conversion adapter without a transformer may result in damage to the product.
【Liability】
We are not responsible for malfunctions or damages caused by improper use, such as operating the product without a transformer.
----------------------------------------------------------------------
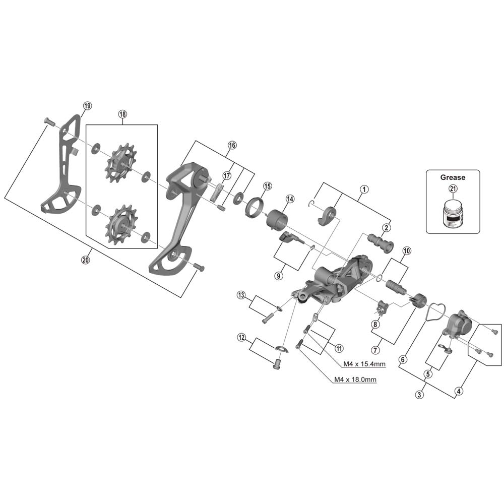
Shimano part: Y3FW98080
Compatible models: RD-M8100
RD-M8100 Right Plate SGS
Applicable season: All year round
Release year/model year: 2019
Category Name: Unisex Adult